|
用途
+本裝置以常溫清水輸送,用于日常高壓清洗車、墻面、地面等。 材質
+ 壓鑄鋁合金箱體,鑄造泵頭表面電鍍閃亮奪目。陶瓷管精密柱塞,雙道密封系統安全可靠。 特點 2、柱塞的運動是通過連桿與曲柄系統實現。高強度合金鋼曲軸,深溝球軸承與滾針軸承的匹配,保證了動力端運轉的穩定性。 3、進出水單向止回閥保證了液力端運轉高效、穩定。可拆卸單向閥螺栓,便于維護。 4、自帶調壓閥性價比高。無需外接調壓裝置,簡化系統設計,提高穩定性。壓力開關:關槍停機,解放雙手。 5、可以將不同附件連接到泵頭。 |
![]() |




|
用途
+本裝置以常溫清水輸送,用于日常高壓清洗車、墻面、地面等。 材質
+ 壓鑄鋁合金箱體,黃銅泵頭耐腐蝕耐用,?穩定性強耐高溫。陶瓷管精密柱塞,雙道密封系統安全可靠。 特點 2、柱塞的運動是通過連桿與曲柄系統實現。高強度合金鋼曲軸,深溝球軸承與滾針軸承的匹配,保證了動力端運轉的穩定性。 3、進出水單向止回閥保證了液力端運轉高效、穩定。可拆卸單向閥螺栓,便于維護。 4、自帶調壓閥性價比高。易啟動閥,低壓啟動不是問題。壓力開關:關槍停機,解放雙手。 5、可以將不同附件連接到泵頭。 |
![]() |


+本泵用于清洗或者噴霧行業。
1、 可與不同類型的電機直連,或于汽油機直連。壓鑄鋁合金箱體,后蓋帶油鏡及卸油口。柱塞的運動是通過連桿與曲柄系統實現。
2、高強度合金鋼曲軸,深溝球軸承與滾針軸承的匹配,保證了動力端運轉的穩定性。
3、鍛壓黃銅泵頭,噴瓷柱塞,雙道密封系統,進出水單向止回閥保證了液力端運轉高效、穩定。
4、可拆卸單向閥螺栓,便于維護。
5、自帶調壓閥,性價比高。可以將不同附件連接到泵頭。

]]>
+本泵用于清洗或者噴霧行業。
特點
1、 壓鑄鋁合金箱體,小箱體大流量;
2、高強度碳鋼曲軸,深溝球軸承的匹配,保證了動力端運轉的穩定性。
3、鍛壓黃銅泵頭可選鍍鎳泵頭,性價比高,噴瓷柱塞,雙道密封系統,進出水單向止回閥保證了液力端運轉高效。
4、可拆卸單向閥螺栓,便于維護。
5、KLS自帶調壓閥,性價比高,可以將不同附件連接到泵頭。
|
|
|
|
+本裝置以常溫清水輸送,用于清洗或者噴霧行業等。
1、?鏈接方式可與電機、汽油機、液壓馬達直連,或彈性連軸器連接。
2、壓鑄鋁合金箱體,側蓋透明大油鏡,后蓋卸油口。
3、鍛壓黃銅泵頭可選鍍鎳泵頭,性價比高;噴瓷柱塞、陶瓷柱塞可選擇;雙道密封系統,泵頭選型多樣,可針對特種行業,海水、熱水皆可使用。
4、柱塞的運動是通過連桿與曲軸系統實現;高強度合金鋼曲軸,深溝球軸承與滾針軸承的匹配,保證了動力端運轉的穩定性。
5、進出水單向止回閥保證了液力端運轉高效。可拆卸單向閥螺栓,便于維護。
BML-N▲ |
BMV-F1▲ |
BML-F2▲ |
BML-F3▲ |
BMV-F4▲ |
BML-F5(液壓專用)▲ |
BML-F6▲ |
BML-F8▲ |
]]>
+本裝置以常溫清水輸送,用于清洗或者噴霧行業等。
1、 鏈接方式可與電機、液壓馬達連接。
2、壓鑄鋁合金箱體,側蓋透明大油鏡,后蓋卸油口。
3、鍛壓黃銅泵頭可選鍍鎳泵頭,自帶調壓閥性價比高;噴瓷柱塞、陶瓷柱塞可選擇;雙道密封系統。
4、柱塞的運動是通過連桿與曲軸系統實現;高強度合金鋼曲軸,深溝球軸承與滾針軸承的匹配,保證了動力端運轉的穩定性。
5、進出水單向止回閥保證了液力端運轉高效。可拆卸單向閥螺栓,便于維護。
PBML-N▲ |
PBML-C▲ |
]]>
+本裝置以常溫清水輸送,用于大棚打藥 ,高壓噴霧,園林霧化 , 沙場除塵等噴霧行業。
+ 壓鑄鋁合金箱體,鑄造泵頭表面電鍍閃亮奪目。噴瓷柱塞,雙道密封系統,自帶調壓閥性價比高。后蓋帶油鏡及卸油口。
特點
1、 可與不同類型的電機直連。
2、柱塞的運動是通過連桿與曲柄系統實現。高強度合金鋼曲軸,深溝球軸承與滾針軸承的匹配,保證了動力端運轉的穩定性。
3、進出水單向止回閥保證了液力端運轉高效、穩定。可拆卸單向閥螺栓,便于維護。
4、連體調壓閥、性價比高。可以將不同附件連接到泵頭。




+本裝置以常溫清水輸送,用于高壓清洗機械、設備清洗或者噴霧行業。
+ 壓鑄鋁合金箱體,鑄造泵頭表面電鍍閃亮奪目。陶瓷管精密柱塞,雙道密封系統安全可靠,自帶調壓閥性價比高。后蓋帶油鏡及卸油口。
特點
1、 可與不同類型的電機直連。
2、柱塞的運動是通過連桿與曲柄系統實現。高強度合金鋼曲軸,深溝球軸承與滾針軸承的匹配,保證了動力端運轉的穩定性。
3、進出水單向止回閥保證了液力端運轉高效、穩定。可拆卸單向閥螺栓,便于維護。
4、連體調壓閥、性價比高。易啟動閥,低壓啟動不是問題。壓力開關,關槍停機,解放雙手。
5、可以將不同附件連接到泵頭。
6、本泵體積小,重量輕的特點,輕松架構大部分的小型清洗機機架。
|
|
![]() KBML-F6▲ |
]]>
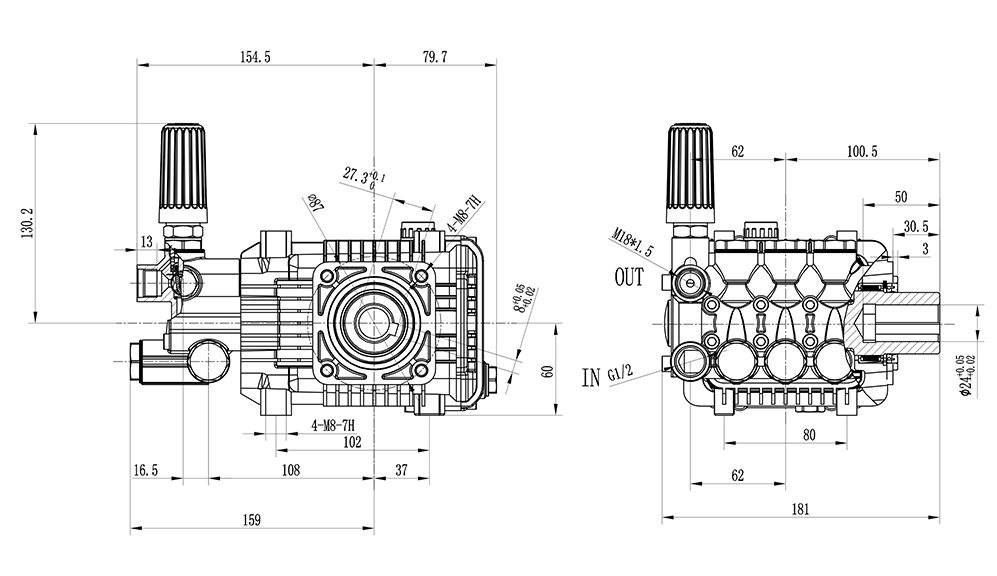
|
用途
+本裝置以常溫清水輸送,用于日常高壓清洗車、墻面、地面等。 材質
+ 壓鑄鋁合金箱體,鑄造泵頭表面電鍍閃亮奪目。陶瓷管精密柱塞,雙道密封系統安全可靠。后蓋帶油鏡及卸油口。 特點 2、柱塞的運動是通過連桿與曲柄系統實現。高強度合金鋼曲軸,深溝球軸承與滾針軸承的匹配,保證了動力端運轉的穩定性。 3、進出水單向止回閥保證了液力端運轉高效、穩定。可拆卸單向閥螺栓,便于維護。 4、自帶調壓閥性價比高。易啟動閥,低壓啟動不是問題。壓力開關:關槍停機,解放雙手。 5、可以將不同附件連接到泵頭。 |
![]() |
![]() |
KBMLG-C24-F3▲ |
|
|
KBMLG-C28-F8▲ |

KBMLSG-C24-F3▲

本機采用汽油發動機、柴油發動機或電動機作為動力,組裝成高壓清洗機后,可廣泛應于下列領域:
1、各種車輛、農業、工程機械、部隊車輛、坦克、艦艇、飛機等機械的去污除垢、清洗與保養。
2、港口、碼頭各種集裝箱、廣場、醫院、畜牧場、屠宰場、養殖場、市政環衛的強力清洗、衛生防疫和消毒殺菌。
3、樓宇外墻、辦公大樓玻璃門窗、庭院環境之日常清洗。
+? 噴射壓力高,?使用壽命長,性能穩定可靠。
+? 采用汽油發動機、柴油發動機或電動機作驅動動力,操作簡單方便。
+? 結構緊湊、壓力高、熱量小,效率高、回水快、體積小。
壓鑄鋁合金箱體,后蓋帶油鏡及卸油口。高強度合金鋼曲軸,雙圓錐滾針軸承承載力大。鑄造黃銅泵頭可選電鍍,陶瓷管、精密柱塞,雙道密封系統,安全可靠。
TK-N▲ |
TK-F3▲ |
]]>